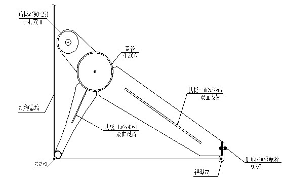
5.2.4 裝配可調螺栓和夾板(或支片)
1 在幕墻凸點位置的支撐桿端部安裝圓凸形鋼支片,支片與支撐桿間用可調螺栓連接,用以調整頂桿高度,以在幕墻上形成凸點。(見圖5.2.4-1、5.2.4-2)
2 調節螺栓的調節長度應根據每個凸點的設計高度進行精確調節,使凸形支片高度準確,以滿足幕墻凸起點的突出長度符合設計要求,使幕墻整體觀感效果達到設計最佳要求。
3 鋼支片與幕材間用剪裁好的幕材材料做墊片。
4 在拉索位置(豎向)安裝固定拉索的鋼夾板,夾板長度同樣利用可調螺栓進行調節

圖5.2.4-1可調螺栓

圖5.2.4-2圓凸形鋼支片
5.2.5 固定豎向拉索
拉索上下兩端固定在建筑物外挑結構的耳板上,中間固定在拉索支撐桿頂端的夾片間。(見圖5.2.5)

5.2.6 幕材卷軸沿豎向拉索向下展開
把幕材吊運到建筑物頂部,打開一片幕材,把拉索穿入幕材上的褲套中,使幕材沿拉索緩慢下滑,等幕材完全展開后再把上、下幕材穿入鋁型材的導槽內,幕面調整平展,各頂桿調整到位,把相應的螺栓調整到位、擰緊固定。
5.2.7 連接幕材與拉索
幕材與幕材間連接處用夾板夾緊,用螺栓固定;幕材與拉索間采用不銹鋼掛鉤連接,掛鉤間距0.5m(見圖5.2.7)。

5.2.8 張拉拉索,繃緊幕體
張拉拉索時要協調均勻,張拉力嚴格按照設計要求,同時保證拉索繃直不松弛,然后調整織物幕墻頂部專用鋁型材中的調整螺栓,進行調節拉索的位置和垂直度,使立面張緊。在張拉過程中應按設計應力進行張緊力控制,以保證幕墻整體剛度。(見圖5.2.8-1、5.2.8-2、5.2.8-3)

圖5.2.8-1幕墻上端拉索張緊調節節點示意圖

圖5.2.8-2幕墻下端拉索張緊調節節點示意圖

圖5.2.8-3幕墻端轉角節點示意圖
5.2.9 調節可調螺栓達到外凸效果
調節支點的可調螺栓,同一面幕墻調節要盡量同步進行,以保證幕材受力均勻。
5.2.10 幕墻整體聯調
參建各方聯合對織物幕墻整體檢查,不適之處做最終調整,直到符合設計圖紙要求和達到裝飾效果要求。
上一頁123456下一頁

[摘 要] 近年來隨著點支式玻璃帷幕結構的廣泛應用,各種新型的支承結構孕育而生,但對于結構性能的研究往往滯后于實際工程,開展新型結構的研究顯得尤為重要。某重屋蓋柔性支承結構點支式玻璃走廊即為將剛性梁和柔性索(包括攬風索、懸索和立面的豎索

環氧樹脂是復合材料中應用最廣泛的基體樹脂之一。由于其具有許多優異的性能而得到廣泛的應用,如機械性能優異、電絕緣性能好、耐腐蝕性能佳、收縮率低,良好的化學和熱穩定性,高強度和高模量,粘接性能好和加工性能優良等,在膠粘劑、電子儀表、輕工、建筑、

隨著一塊4.5米×2.2米、重達800公斤的玻璃幕墻安裝在上海中心的8樓,總面積達14萬平方米的上海中心玻璃幕墻安裝正式開始。當天,上海已受雙臺風“蘇拉”和“達維”的外圍環流影響,風力逐漸加大,不過這座申城的第一高樓玻璃幕墻因其獨特的柔