隔熱條國家標準GB/T 23615.1-2009《鋁合金建筑型材用輔助材料 第1部分:聚酰胺隔熱條》在2009年4月發布,在2010年2月開始正式實施。雖然隔熱條國家標準已經執行了兩年多了,但是目前市場上依然充斥著以ABS或PVC為材質的隔熱條。為什么隔熱條國家標準中規定隔熱條的材質是:不小于65%的聚酰胺66和25%±2.5%的玻璃纖維(PA66GF25),余量為添加劑,而不是PVC或ABS等材料?
下面我們從材料的各項性能來進行分析。
一、材料的線膨脹系數
固體物質的溫度每改變1攝氏度時,其長度的變化和它在O℃時長度之比,稱為該材料的線膨脹系數。隔熱型材是由鋁型材和隔熱材料制成的復合型材,如果這兩種材料的線膨脹系數不一致的話,必然會造成在遇熱或受冷時,其伸長量或收縮量不一樣,從而影響其使用。如果差異過大,必然會導致這種復合結構破壞。
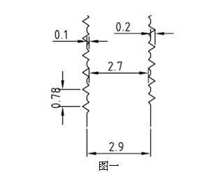
這是因為對于穿條式隔熱型材,在開齒過程中,在鋁型材槽口上開出的齒紋的間距大概是0.78mm~1.1mm(齒谷到齒谷之間的距離)左右(如圖一所示),如果隔熱材料與鋁型材的線膨脹系數相差過大,勢必會導致在溫度變化時,隔熱材料的伸縮量超過鋁型材槽口上的齒紋間距,從而出現“跳齒”的狀況。這種“跳齒”的情況出現兩個來回,必然會導致整個隔熱型材的剪切力大大的降低或隔熱條出現損壞,這樣就影響了隔熱型材的使用。
我們以一1.5米的中挺為例,表一是各種材料的線膨脹系數,表二是廣州、上海、北京、長春等典型城市的各月份平均氣溫(注意不是取到極端氣溫)。
從表二可以看出,在廣州各月平均氣溫中,最大的溫差是15.1℃,在上海是24.3℃,在北京是31.4℃,在長春是40℃。在這種溫差下面,鋁型材、PA66GF25、PVC、ABS等材料的伸長量見表三。
從表三我們可以看出,PA66GF25與鋁合金材料之間的伸長量差是在0.1~0.27mm之間,沒有超出上面提到的鋁型材槽口齒紋間距0.78~1.1mm的,不會出現“跳齒”的狀況出現的;PVC與鋁合金材料之間的伸長量差是在1.35~3.57mm,最大的已經超出了3個齒紋間距了,也就是跳了三個齒谷了;ABS與鋁合金材料的伸長量差是在0.92~2.43mm,最大的也跳了兩個齒谷。類似于這樣,隔熱材料在鋁型材齒紋間,因為溫度波動的原因來回摩擦,必然會使得隔熱型材的剪切強度降低,并破壞隔熱型材的結構。
所以從材料的線膨脹系數方面,我們選擇的應該是PA66GF25。
二、材料的耐酸堿性能
隔熱型材的生產方式有兩種,一種是對鋁型材先做表面處理,然后再進行復合工藝,這種方式目前在國內非常普遍,基本上都是采用這種方式。這種方式隔熱條是不會與酸、堿溶液接觸的。另一種是先進行復合工藝,然后再進行型材的表面處理,這種復合工藝在歐洲比較常見,在這種生產方式下,隔熱條是要與酸、堿溶液接觸的。隔熱條耐酸、堿性能是確定以先穿條后表面處理生產的隔熱型材中的隔熱條在經過酸、堿性溶液后的橫向拉伸特征值和表面質量。
上一頁12下一頁

隨著現代生活環保節能要求的增強,許多先進的節能產品及節能工藝被逐漸運用于我國的建筑業,隔熱(亦稱斷熱冷橋)鋁合金門窗在這兩年以其良好的隔熱性能被我國“三北”(東北、西北、華北)冬季高寒地區的新建建筑所廣泛運用就是一個實例。
2003

