【中國幕墻網】隔熱型材進入我國市場已經有近十年的歷史,因為隔熱型材優越的保溫隔熱性能表現和隨著我國建筑節能要求的提高,使得其在我國的建筑門窗幕墻行業內使用得越來越廣泛。在工程應用中,設計人員除了要考慮型材的保溫隔熱性能外,還應當要分析和計算其結構的安全性可可靠性。但是目前不論是設計計算軟件,還是大部分門窗幕墻公司的設計人員,要么是將隔熱型材中的隔熱材料去掉,要么是將隔熱材料直接當成鋁合金,要么就是將隔熱材料按照材料的彈性模量的比值等效為鋁合金等等,以這些方式來計算隔熱型材的慣性矩,并通過這樣計算出來的慣性矩來驗算門窗幕墻有關構件的強度和剛度。這些處理方式都是不對的,因為他們忽略了隔熱型材這種通過一定的工藝使得內外腔鋁材由做為結構件的隔熱材料連接在一起的復合型材的特性和承受荷載時特有的端部現象(詳細敘述請見拙作《隔熱復合型材慣性矩分析》)。
一、隔熱型材的等效慣性矩計算方法
按JG 175-2009《建筑用隔熱鋁合金型材》規定的隔熱型材等效慣性矩的計算公式如下(在2005版就已經收錄了隔熱型材等效慣性矩計算方法):
其中:
Ief – 隔熱型材等效慣性矩;
Is ---剛性慣性矩,按下式計算:
v ---作用參數,按下式計算:
? ---組合參數,按下式計算:
λ---幾何形狀參數,按下式計算:
c --- 彈性常數,是在縱向抗剪試驗中負荷—位移曲線的彈性變形范圍內的縱向剪切力增量△F與相對應的兩側鋁合金型材出現的相對位移增量△δ和試樣長度l成積的比值,按下式計算:

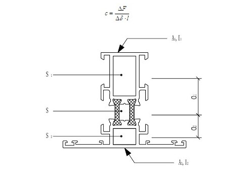
A1—鋁型材1區截面積(mm2);
A2—鋁型材2區截面積(mm2);
S1—鋁型材1區形心;
S2—鋁型材2區形心;
S—隔熱型材形心;
I1—1區型材慣性矩(mm4);
I2—2區型材慣性矩;
α1—1區形心到隔熱型材形心距離(mm4);
α2—2區形心到隔熱型材形心距離(mm)。
圖1 隔熱型材截面
式中:
L--- 隔熱型材的承載間距,單位為毫米(mm);
α——1區形心與2區形心間距,單位為毫米(mm);
E —— 鋁合金的彈性模量,單位為牛頓每平方毫米(N/mm2),E=70000N/mm2;
△F ——負荷--位移曲線上彈性變形范圍內的縱向剪切力增量,單位為牛頓(N);
△δ——負荷--位移曲線上彈性變形范圍內的縱向剪切力增量相對應的兩側鋁合金型材的位移增量,單位為毫米(mm);
l —— 試樣長度,單位為毫米(mm)。
二、關于彈性常數c值
關于彈性常數c值,是在隔熱型材縱向抗剪試驗中負荷—位移曲線的彈性變形范圍內的縱向剪切力增量△F與相對應的兩側鋁合金型材出現的相對位移增量△δ和試樣長度l成積的比值。對于同樣的鋁材和隔熱材料,其決定因素是鋁材槽口開齒的鋒利情況和型材滾壓過程的滾壓力的控制情況。當型材槽口開齒較差,因為齒較鈍,難以咬進隔熱材料(如圖2所示),所以隔熱型材的縱向抗剪力是比較小的,直接影響其彈性常數c值,這也就使得隔熱型材的等效慣性矩較小;反之隔熱型材的有效慣性矩則比較大(如圖3所示)。
另外因為隔熱型材的縱向抗剪試驗無論是按照國家標準GB 5237.6《鋁合金建筑型材 第6部分:隔熱型材》的規定,還是行業標準JG 175《建筑用隔熱鋁合金型材》的規定,是出廠檢驗的必檢項目之一。而在做隔熱型材縱向抗剪試驗中(如圖5)必然會得到隔熱型材的負荷—位移曲線圖(如圖6)。
這樣我們就可以根據圖6來計算該批型材的彈性常數c值:
從而來計算出該批隔熱型材的等效慣性矩,用于工程驗算。
如果是前期設計計算,設計人員可以先根據工程實際情況和已經有大致合作意向的幾家型材廠的生產水平,大致的設定一個用于工程前期設計計算的彈性常數c值。后續的工程進行中基本上都是按照此指標來設計驗算和驗收型材廠的隔熱型材。
三、隔熱型材強度計算案例
在上海市浦東新區(7度設防、設計地震基本加速度0.10g).某建筑高128m,層高3.6m,分格(B*H)1.2m*1.5m,采用構件式(明框)幕墻。
上海市基本風壓:W0=550N/m 2
風壓高度變化系數:uZC=0.713(128/10)0.40=0.713(Z/10)0.40=1.977 (JGJ102、JGJ133)
ufC=0.734(128/10)0.22=0.734(Z/10)0.22=0.4189
瞬時風壓陣風系數:βz=1.56 (JGJ102、JGJ133)
風荷載體型系數:uS=0.8 (JGJ102、JGJ133)
地震作用標準值:qEK=ΒE*αmax*GAK =5*0.08*400=160N/m2 (GB50011、JGJ133)
風荷載標準值:WK=βzμZμSW0*1.1=1.56*0.8*1.977*550*1.1=1493N/m2
風荷載設計值:W=1.4 WK =1.4*1493=2090N/m2
風荷載線荷載設計值:qW=BW=1.2*5652=2508N/m
地震作用設計值:qE=1.3 qEK =1.3*160=208N/m2
地震作用線荷載設計值:qE線=BqE =1.2*208=250N/m
上一頁12下一頁

新型的節能玻璃涂料成為節能建筑材料的新星。產品能徹底解決透明和隔熱在核心技術中的難題,有效解決了建筑玻璃的能耗與光污染問題。

【中國幕墻網 09月09日消息 記者黃靜】影響節能門窗的熱傳導性因素是密封膠和隔熱條。在積極研究門窗幕墻結構保溫隔熱的同時,必須認識到發展高科技的新材料是建筑節能的重要基礎。只有性能優異的材料,才能保證外圍護工程的持久保溫隔熱性能。因此

美國亞松公司相關文章
注膠隔熱鋁合金幕墻的優勢
美式節能鋁合金門窗的特點
鋁合金幕墻實際應用中,隔熱材料彈性的重要性
北方高層建筑鋁合金幕墻型材的兩種隔熱技術探討
論有效提高中空玻璃抗凝露能力