本篇文章內容由[中國幕墻網ALwindoor.com]編輯部整理發布:
硅酮密封膠已廣泛用在幕墻、門窗、中空玻璃及室內裝飾等建筑領域,起到粘結和密封作用。在應用過程中,我們會接觸到建筑硅酮密封膠一些產品名稱,比如結構密封膠(詞條“結構密封膠”由行業大百科提供)、中空密封膠、耐候密封膠、門窗密封膠、防火密封膠等。這些密封膠產品是怎樣進行分類的?分別起到怎樣的作用?這期白云在線文章將給大家介紹建筑硅酮密封膠的分類和選用。
市面上建筑硅酮密封膠的產品大多是按照用途分類命名的。一般情況下,按用途大致可分為以下五類:硅酮結構密封膠、硅酮耐候密封膠、普通硅酮密封膠、中空玻璃用二道硅酮密封膠、特殊用途硅酮密封膠。它們的特點如下:
1 硅酮結構密封膠
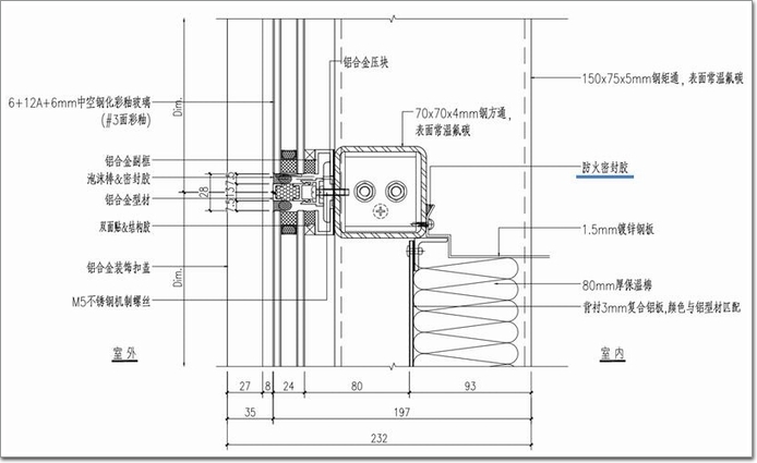
用途:主要用于隱框玻璃幕墻或半隱框玻璃幕墻的玻璃與鋁副框的結構粘接(見圖1)
特點:將玻璃粘到鋁副框上,長期(不少于25年)承受紫外線、臭氧、濕氣等的氣候老化;承受風、重力、溫度等引起的荷載,對強度(詞條“強度”由行業大百科提供)、耐老化性(詞條“耐老化性”由行業大百科提供)要求高,彈性有一定要求。
用膠注意事項:幕墻的結構粘接必須選用硅酮結構密封膠,還應滿足幕墻設計要求,切勿選用其他類型的密封膠。推薦選用高性能硅酮結構密封膠,其具有更高的安全性。
2 硅酮耐候密封膠
用途:用于各類幕墻接縫密封(見圖1),保證幕墻的氣密性、水密性等性能。
特點:需長期承受較大接縫寬窄變化和戶外紫外線、臭氧、濕氣等的氣候老化,彈性(位移能力)、耐老化性要求高,不要求強度。
用膠注意事項:硅酮耐候密封膠的位移能力應滿足接縫變形,符合設計要求。由于幕墻接縫的變形相對較大,推薦選用位移能力高的產品。高位移能力產品,密封耐久性更好,因為膠縫位移量沒有達到產品的極限值,更能保證幕墻密封的耐久性。

圖1:玻璃幕墻局部剖面圖
3 普通硅酮密封膠
用途:用于門窗接縫、外墻填縫、室內裝飾密封及其他位置密封(見圖2)。
特點:承受接縫寬窄變化相對小,有一定的位移能力要求,不要求強度。戶外接縫對耐老化性能要求高,室內接縫對耐老化性能有一定的要求。
用膠注意事項:市面上產品參差不齊,相當部分產品填充了工業白油(詞條“白油”由行業大百科提供),切勿選用填充工業白油的硅酮密封膠。選用符合國家標準GB/T 14683-2017中GW類指標要求的密封膠產品。

圖2:住宅門窗
4 中空玻璃用二道硅酮密封膠
用途:用于中空玻璃二道密封,保證中空玻璃結構穩定(見圖3)。根據受力情況,又分為結構用的中空玻璃二道密封膠(主要用于隱框和半隱框玻璃幕墻的中空玻璃)和非結構用的中空玻璃二道密封膠(主要用于明框幕墻和門窗用的中空玻璃)。
特點:模量高,不要太軟,耐老化性能要求高。
用膠注意事項:隱框和半隱框玻璃幕墻的中空玻璃必須選用硅酮中空玻璃結構密封膠。選用品牌信譽好、質量有保障的中空密封膠產品。

圖3:中空玻璃
5 特殊用途硅酮密封膠
用途:用于有特殊要求的接縫密封,例如防火密封膠用于幕墻工程各層防火密封、各類門窗的防火密封、室內防火隔斷以及室內裝飾的防火密封等(見圖4);防霉密封膠用于各類廚房用具、衛生潔具的安裝及防水、防霉密封等(見圖5)。
特點:需具備某種特殊性能(如防霉、防火等)。
用膠注意事項:有防火要求的接縫密封,必須選用防火密封膠;有防霉要求的接縫密封,須選用防霉密封膠。

圖4:幕墻防火隔斷密封膠需具備防火性能

圖5:廚房、衛浴的接縫密封膠需具備防霉性能
不同用途的硅酮密封膠有其各自不同的性能特點。根據不同的用途特點,用戶應正確選用建筑硅酮密封膠。用錯密封膠可能會導致工程出現嚴重的質量事故和安全事故。比如用耐候密封膠代替結構密封膠使用、用門窗密封膠代替耐候密封膠使用、有防火要求場所未選用防火密封膠等。
本期文章詳細介紹了建筑硅酮密封膠按用途分類和選用。希望用戶能夠充分了解這些知識,在實際工程應用中選擇最合適的建筑硅酮密封膠!白云化工能夠全方位、多角度提供密封系統用膠解決方案和全過程服務,協助用戶選用質好價實的建筑硅酮密封膠產品!