本篇文章內容由[中國幕墻網]編輯部整理發布:
前言:
建筑幕墻預埋件是幕墻的重要構件,它與主體結構(詞條“主體結構”由行業大百科提供)的連接節點(詞條“節點”由行業大百科提供)是幕墻的重要連接節點。它的主功能是把幕墻所承受的荷載和作用,通過預埋件有效、可靠傳遞到主體結構上。
幕墻工程施工中預埋件的質量,埋設質量和與轉接件的連接質量都對幕墻的性能和使用壽命有著重大的影響。本文就預埋件的施工和施工中存在的問題進行探討。

一.建筑幕墻預埋件種類
目前在建筑幕墻常見的預埋件有:錨板構造預埋件、槽型預埋件,后置埋件等三個類型。
1.錨板構造預埋件:錨板構造預埋件由錨板和對稱布置鋼筋焊接(電弧焊)形成的組件。它是在土建施工時埋設的。
2.槽型預埋件。槽型預埋件由特殊軋制槽型鋼(詞條“型鋼”由行業大百科提供)和特殊工字型鋼(或鋼筋)焊接形成的組件。它是土建施工時埋設的。
3.后置埋件: 由錨板和膨脹螺栓或化學螺栓(代替鋼筋)組成。它是在幕墻工程安裝施工中形成的預埋件組件。
二.建筑幕墻預埋件施工要求
(一)標準JGJ102—2003第5.5條款相關規定要求:
1.主體結構或結構構件,應能夠承受幕墻傳遞的荷載和作用。連接件(詞條“連接件”由行業大百科提供)與主體結構的錨固承載力設計值應大于連接件本身的承載力設計值;
2.玻璃幕墻立柱與主體混凝土結構應通過預埋件連接,預埋件應在主體結構混凝土施工時埋入,預埋件位置準確;當沒有條件采用預埋件連接件時,應采用可靠的措施,并通過試驗確定其承載力。
3.由錨板和對稱配置的錨固鋼筋所組成的受力預埋件,可按照本規范附錄C的規定進行設計。
4.槽式預埋件的預埋鋼板及其它連接措施,應按照現行國家標準《鋼結構設計規范》GB 50017的有關規定進行設計,并通過試驗確定其承載力。
5.玻璃幕墻構架與主體結構采用后加錨栓連接時,應符合下列規定:
(1)產品應有合格證;(有鋼材(詞條“鋼材”由行業大百科提供)化學成分和力學性能試驗報告,有設計方法資料和出廠合格證)。
(2)碳素鋼錨栓與進行防腐處理;
(3)后加螺栓(詞條“螺栓”由行業大百科提供)必須在現場進行單體拉拔試驗和節點(群體)拉拔試驗,試驗所加荷載應達荷載設計值的1.5倍而無明顯滑移,必要時應在檢測單位進行極限拉拔試驗。
(4)每個連接點后加螺栓不得少于2個,螺栓間距和螺栓到構件邊緣的距離不應小于70mm,宜設計成螺栓受剪的節點;
(5)螺栓直徑應通過承載力計算確定,并不得小于l0mm;
(6)不宜在與化學錨栓接觸的連接件上進行焊接操作;
(7)錨栓承載力設計值不應大于其極限承載力的50%。
6.幕墻與砌體結構連接時,宜在連接部位的主體結構上增設鋼筋混凝土或鋼結構梁、柱。相連接的主體結構混凝土強度等級不宜低于C30。幕墻不應連接在磚石砌體上,更不得與輕質墻連接。
(二)后錨固件的施工要求
后錨固件在建筑幕墻施工中廣泛使用,特別在舊樓改建、擴建的幕墻工程大量,甚至全部使用后錨固件。幕墻工程中大量、甚至全部采用后錨固件,加上施工質量未能得到很好的控制,會給幕墻使用帶來安全隱患。
對于后錨固件的施工要求在規范《混凝土結構后錨固技術規程》JGJ 145—2004,有明確的規定。
1)后錨固件有膨脹型螺栓、擴孔型螺栓、化學植筋及其它類型螺栓。
后錨固件使用時,除考慮各類螺栓本身性能差異外,尚要考慮基材(詞條“基材”由行業大百科提供)性狀、錨固連接的受力性質、被連接 結構的類型、胡無抗震設防要求等因素。
膨脹型螺栓、擴孔型螺栓不得用于受拉和邊緣受剪(邊距C<10hcf錨件有效錨固深度),拉剪復合受力的結構構件及生命線工程的非結構構件的后錨連接。(建筑非結構構件包括:圍護外墻、隔墻(詞條“隔墻”由行業大百科提供)、幕墻、吊頂、廣告牌等)
化學植筋及螺桿,在滿足錨固深度的化學植筋和螺桿可應用于抗震設防烈度不大于8級的受拉、邊緣受剪、拉剪復合受力之的結構構件和非結構構件的后錨固連接。
2)注意錨固栓的施工質量。對于錨固栓的施工,在標準《混凝土結構后錨固技術規程》JGJ 145—2004中規定:
(1) 錨固栓鉆孔要求:
|
孔徑直徑允許偏差 |
孔深允許偏差 |
垂直度允許偏差 |
位置允許偏差 |
|
≤0.5mm |
膨脹、擴孔型螺栓: 0 +10 mm
化學植筋: 0 +20 mm |
≤50 |
5mm |
注:A. 鉆孔時應避開主受力筋,對于廢孔應用化學錨固(詞條“化學錨固”由行業大百科提供)膠或高強度等級的樹脂水泥砂漿填實;
B. 鉆孔后用壓縮機或手動氣筒,清除孔內的粉塵和碎渣,再用丙酮擦拭孔道,并保持孔道干燥(詞條“干燥”由行業大百科提供)。
(2)錨固栓最小有效錨固深度hmin:hmin/d = 6,d為錨固栓直徑。
若采用d為12mm的錨固栓,其最小有效錨固深度應72mm。(設防烈度為7級,混凝土C30),有效錨固的深度應不包含墻面的抹灰層和裝飾層厚度。
(3)注意鉆孔最小邊距:膨脹螺栓Cmin ≥12d ,擴孔型錨栓Cmin ≥10d,化學植筋 Cmin ≥5d。(d為螺栓外徑)。
(4)考慮到焊接高溫對化學錨固劑的不良影響,應采取有效的降溫措施。
三.預埋件的施工的質量問題
1.設計計算問題
部分幕墻工程,特別是中小幕墻項目,對幕墻專業設計重視不夠,有的設計只有簡單的幾張設計圖紙,沒有預埋件的埋設位置圖,沒有結構力學計算書,有的雖有計算書,但沒有預埋件的計算,也未進行復核。
2.平板預埋件的焊接質量
1)預埋件常見形式是由錨板上焊接錨筋所組成。(錨筋不得采用冷軋鋼筋,當錨筋直徑≥10mm時采用Ⅱ級變形鋼筋,包括月牙紋及螺紋鋼筋,見《鋼筋混凝土結構預埋件》JSJT-203)早期的做法是把鋼筋彎折后直接焊到錨板上,現在基本采用錨板上鉆孔后塞焊的方式,后者比較可靠。錨板與錨筋的焊接質量是預埋件的質量關鍵。要保證焊接質量,電焊操作工必須經培訓持證上崗。預埋件的驗收也是關鍵,不僅檢查外觀質量,防止出現虛焊、脫焊,還要按規定進行錨板與鋼筋的焊縫強度檢查。
2)預埋件埋設多數偏離設計位置,造成不能使用。
造成原因有:
(1)預埋件在土建施工時已埋設,后因幕墻設計分格的改變或變更造成不能使用。
(2)預埋件捆扎不牢,施工時混凝土澆灌、搗固時使預埋件位移、偏斜。
《玻璃幕墻工程技術規范》JGJ102—2003 第10.2.3條款:玻璃幕墻與主體結構連接的預埋件,應在主體結構施工時按設計要求埋設,預埋件的位置偏差不應大于20mm。
3.后置錨固件施工質量問題
1)輕質墻體上安裝后錨固件
有的工程樓層跨度較大,立柱的撓度計算或強度計算未能通過,因此有的設計人員則在上下層梁之間增加一個支點,如果這一支點是在鋼筋混凝土(或鋼結構)構造梁(柱)上是有效的。有的框架結構建筑物其砌體通常都選用輕質填充墻,若把增加的支點放在輕質填充墻上,即使是采用鋼板加穿墻螺栓,也則無法起到有效的支承作用。所以規范規定:幕墻不應連接在磚石砌體上,更不得與輕質墻連接。
2)錨固基體不實不可靠,如砼體基材強度不夠,邊距不夠,都會導致砼基材崩裂造成錨固失效。
3)后置錨固件偏位。鉆孔經常遇到鋼筋時產生偏位和偏斜,還有孔洞粉屑碎渣清除不凈,造成錨固件使用時松動。
規范規定:后加螺栓必須在現場進行單體拉拔試驗和節點(群體)拉拔試驗,試驗所加荷載應達荷載設計值的1.5倍而無明顯滑移,必要時應在檢測單位進行極限拉拔試驗。
試驗的結果應與設計計算進行校核,要求錨栓承載力設計值不應大于其極限承載力的50%。
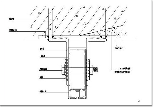
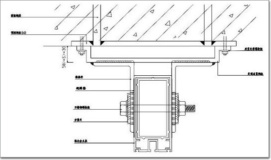
4)后置埋件埋設深度不夠。后置埋件的應保證其最小的有效埋入深度,并應是去除粉刷層后的深度。
如圖:錨因件深度,若去除粉刷層厚度(約20mm)埋件深度顯得不夠。

4)化學錨栓質量不高
幕墻行業后置埋件普遍使用化學螺栓。九十年代化學螺栓產品從國外引進應用于建筑工程上,近年來,國內眾多廠家紛紛跟進,大量生產,市場價格從十幾元到二三元都有,可謂是品牌雜多、魚目混珠、質量不一。化學螺栓的錨固膠起著粘結砼基材與錨筋的作用。目前市場上出現多種化學成份的化學錨固劑,比較常用的是改性(詞條“改性”由行業大百科提供)環氧樹脂、乙烯丙烯酸樹脂和不飽和樹脂三類。錨固膠的物理化學性能直接影響錨固效果,除幾家進口知名品牌宣傳資料有錨固膠的耐久、耐溫、凍融(詞條“凍融”由行業大百科提供)性等測試指標,大部分廠家產品介紹只有“抗酸堿、抗熱防火、溫度敏感度低”等模糊宣示。盡管現場拉撥力測試滿足設計要求,但由于由于錨固膠的耐久性目前只有通過實驗室預測,而且電焊高溫對錨固劑的影響,無人說得清楚,難怪業內人士對錨固膠的耐久性提出質疑,對某些低廉的產品大量使用表示擔憂。
后置埋件不銹鋼螺栓應提供合格證、材質力學性能報告并進行力學性能復驗。
在全國建筑工程裝飾獎(建筑幕墻類)復查中,發現受檢的部分工程后置錨固件的施工和現場抗拉撥力測試還存在問題。
(1)有的工程沒有預埋件,采用多種規格的化學螺栓作為處理后置預理。在可觀察到的部位,螺栓的外露長度不一,有的明顯感到螺栓與砼基體的有效接觸長度不夠。在舊樓改造時,墻面存在粉刷層(正常情況下為20mm)螺栓埋設有效深度還應考慮粉刷層厚度。如有一舊樓改造工程,原墻面是貼面磚,為補償結構構造的不垂直,采用增加墻面粉刷層厚度方法,使其厚度最大可到7—10mm,如果此工程采用化學螺栓作為后置埋件應非常謹慎,應采用穿墻螺桿加錨板或采用其它可靠的連接方法。
(2) 有的工程僅在試驗室用試塊上進行拉撥力檢測,沒有進行現場拉撥力檢測,或僅進行其中1-2種螺栓檢測,如某一工程使用4 種不同規格化學螺栓,而只有2種規格的螺栓進行檢測。
(3) 螺栓現場拉撥力檢測數量不夠,有的工程僅進行一組(3件)象征性的檢測。
按規定螺栓現場拉撥力檢測應在同型號、同規格、基本相同的部位組成一個檢驗批,抽批數量按每批螺栓總數的1‰,且每批不少于3個。
(4)對檢測結果沒有與設計計算進行校核。確保錨栓承載力設計值不應大于其極限承載力的50%。
5)槽形預埋件問題
槽型預埋件具有調節性好、連接靈活、無須焊接和易于埋優點,已廣泛的建筑幕墻工程上使用,但槽型預埋件與其它預埋件一樣,埋設時也容易偏移、傾斜和進入結構墻體內等故障。

墻面不平造成接觸不良,螺釘墊片應加大、加厚
四.出現偏離的預埋件的處理意見
1.平板預埋件位置偏離設計位置
出現預埋件偏離時,可以加大(或加長)預埋錨板方法補救。

預埋件偏移后加焊接、錨栓補片糾正

加長錨板后使用化螺栓固定
2.預埋件出現偏斜
出現偏斜時,可以變動轉接件角度,以適應轉接件埋設產生的偏斜,也可根據用新的錨板代替。

改變轉接件角度以適應預埋件出現的偏斜

用新的錨板代替原先的槽型埋件
3.預埋錨板下面出現空洞
預埋件下面出現空洞時應該充填水泥沙漿填實。

4.后置埋件的化學錨固件防止焊接熱影響的措施

在原來的預埋件上增加轉接板以減少焊接溫度的影響