本篇文章內容由[中國幕墻網]編輯部整理發布:
幾年前提到雙子塔,中國幕墻網ALwindoor.com小編只能想到做為馬來西亞標志建筑的雙子塔;如今咱們國內也有雙子塔,無論在整體外形還是功能配置上,都堪比馬來西亞首都吉隆坡的雙子塔。

廈門雙子塔整體效果圖

廈門雙子塔工程圖
有著“中國第一雙子塔”美譽的世茂海峽大廈,位于思明區廈港片區,該項目總占地南積為3萬平方米,總建筑面積為33萬平方米,雙塔高度為300米,共64層,地下三層,均面海而建,兩座主塔分工不同,一幢做為五星級酒店和寫字樓,另一座則做為SOHO辦公樓使用,兩座大樓都擁有著得天獨厚的無敵海景景觀;而裙樓則跟大部分大型綜合體相同,集購物、休閑、娛樂、餐飲等多項商業業態于一體。

廈門雙子塔工程圖

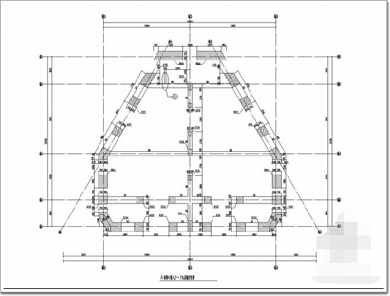
A塔地下三層至七層墻柱定位圖
中國幕墻網工程庫gck.alwindoor.com正式收錄世茂海峽國際商務運營中心(廈門雙子塔)工程,敬請關注對該工程進展、幕墻技術、材料應用等相關資訊的動態更新!
世茂海峽國際商務運營中心(廈門雙子塔)
7月30日,廈門“雙子塔”——世茂海峽國際商務運營中心已進入工程收尾,A塔樓即將建成投用。號稱“中國第一雙子塔”的世貿大廈位于歷史文化悠久、風景優美的廈門廈港片區,高300米,64層,面海而建。總占地
廈門雙子塔系廈門標志性城市景觀建筑之一,該項目是由兩座獨立的主塔樓(詞條“塔樓”由行業大百科提供)和裙房(詞條“裙房”由行業大百科提供)組成,設計師將廈門市花“三角梅”的視覺元素融入其中,不過中國幕墻網ALwindoor.com小編倒覺得獨立的兩座主塔樓外形更像兩幅巨大的風帆,又有網友認為像兩根大玉米或是兩把刀,總之像什么全憑自己想像了,因此雙子塔的別名非常之多,有稱風帆大廈、雙峰大廈、玉米大廈等等。兩幢塔樓外立面全部采用玻璃幕墻,正面頂部帶弧形,橫明豎隱的玻璃幕墻營造出蛇肚紋的即視感,而塔樓的背面則采用了與正面相反的橫隱堅明式的半隱框幕墻,整體造型都符合現代建筑的簡約大氣,是肩負延續舊城文脈,發揚新城文明的濱海門戶建筑。

A塔核心筒八層至十九層墻定位圖

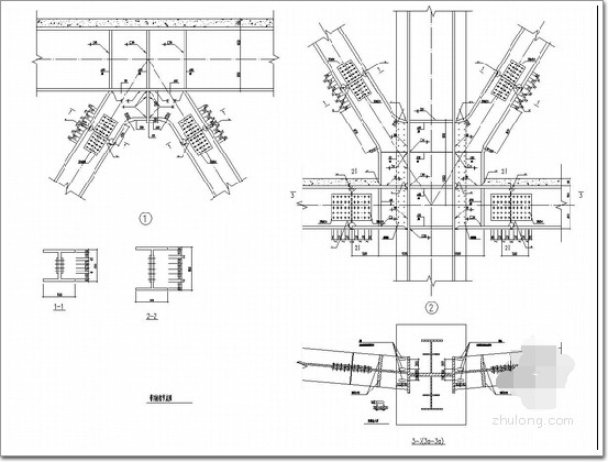
A塔帶狀桁架(詞條“桁架”由行業大百科提供)節點圖

懸挑飛翼定位圖
本工程為超高層雙子塔樓,結構抗側力體系為框架核心筒結構,其中本工程鋼結構(詞條“鋼結構”由行業大百科提供)主要用于塔樓內柱、墻中勁性砼柱、性砼墻中的型鋼、塔樓樓層鋼梁、裙房部分大跨度鋼梁及塔樓出屋面鋼架。樁基采用深井灌注樁,7度設防。

A塔282.85標高外框鋼梁輪廓圖

由于工程圖紙復雜繁多,各類結構詳細圖紙就多達478張,包括:剪力墻一般構造詳圖、鋼結構設計說明、鋼結構連接詳圖、鋼骨大樣圖、墻柱定位圖、剪力墻邊緣構件配筋表、結構圖、構架立面圖、核心筒結構圖、帶狀桁架節點圖、梁板配筋圖、結構輪廓定位圖、柱節點大樣圖、塔冠典型節點大樣圖、外框鋼梁輪廓圖、懸挑飛翼定位圖等等,小編精簡了一些,提供一部分主要的圖紙供大家參考分享,希望對同行的朋友有所幫助。
如果您知道該工程的更多幕墻(門窗)參建企業、建筑型材、玻璃、膠、五金、隔熱材料等材料供應商信息,歡迎提供,經核實后,我們將免費發布。值班郵箱:712050366@qq.com