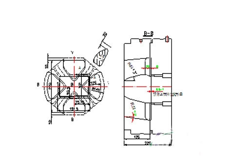
圖4建筑鋁合金模板型材—WYY1125特殊半空心型材(遮蔽式)擠壓模(2#模)示意圖
(3)模子設計方案要點及創新點分析
根據WYY1125型材的大舌比特點,對這種擠壓難度較大的半空心型材,對3個模具設計方案進行分析對比:
第一方案是常規的平面模,這種模具易于制作,但由于模子的懸臂部位直接承受變形金屬的作用力而使懸臂下彎,不能保證擠壓材尺寸精度和形位公差值,同時模具使用壽命很短。
第二方案是在型材的開口處加一連接條,使半空心型材變成封閉的空心型材(見圖5),這樣就可以按普通分流模設計制作,這種結構的模具雖然能夠保證產品尺寸精度和形位公差值,但是擠壓型材的連接條需要在經淬火、時效后撕掉,當撕掉連接條后型材的連接處粗糙度很高,需要人工長時間打磨,擠壓材成品率很低而且成本高。
圖5WYY1125型材的開口處添加連接條,使其變為空心型材
第三方案是遮蔽式模具結構,遮蔽式模具設計原理是用相當于分流模的模芯部分遮蔽下模模孔的懸臂部位,從而,模具的懸臂部位不直接承受變形金屬的作用力(見圖6)。懸臂部位的頂部與上模模芯頂部留有間隙””(0.8-1.0mm),用來消除因中心彈性彎曲變形或壓塌后對懸臂的壓力(見圖6)。這種模子可有效改善由懸臂頂端部位模孔擠出型材的壁厚偏差,較好地保證型材質量。雖然模具制作精度要求高,但模具制造廠具備足夠的加工能力。
本公司首先實施第二方案,設計制造了WYY1125-1#(平面分流組合模)模。這套模具經試模合格后的擠壓材尺寸精度和形位精度都合格,但是給生產增添了不小的工作量,生產效率低,成品率也降低,不適合大批量生產。最后,經過研究決定采用第三方案—遮蔽式結構的模具(WYY1125—2#模見圖4),模子尺寸設計及技術要求,見表8。
表8WYY1125—2#模尺寸設計及技術要求
|
模子型號 |
模具類型 |
模 孔 設 計 尺 寸 |
熱處理硬度HRC |
模孔
表面粗糙度 |
|
WYY1125
—2#模 |
特殊半空心型材(遮蔽式)模 |
圖紙
尺寸 |
型材寬度 150#FormatImgID_5# |
型材高度
100±#FormatImgID_6# |
型材壁厚1
5 |
型材壁厚2
7 |
型材壁厚3
8 |
|
設計尺寸 |
151.25 |
100.75 |
5.1 |
7.1 |
8.1 |
48-49 |
Ra0.4mm |
(4)模子制作要點
模具制造廠擁有國內外最先進的模具加工設備,數控車床、數控銑床、加工中心、數控電火花機床、數控雕銑機、慢走絲線切割機等現代化機床,在模具制作的全過程中已實現CAD/CAM/CAE全自動加工,可確保模具加工質量。
WYY1125型材模選用國內名牌廠家生產的4Cr5MoSiV1優質熱作模具鋼,電渣重熔鋼坯經再鍛造、退火后使用,模子經1035C高溫淬火+2次充分回火熱處理,模體硬度值確保48-49HRC。表面強化處理采用二階段氣體氮化工藝,確保模子表面硬度值在HV950-1150,氮化層厚度 100-160m,以提高模具使用壽命。
(5)成品模檢測驗收記錄見表9。
表9WYY1125-2#模檢測記錄表
|
模子型號 |
模 孔 實 測 尺 寸 |
模子熱處理硬度 |
模孔
表面粗糙度 |
|
WYY11125
—2#模 |
設計
尺寸 |
型材寬度
151.50 |
型材高度
65.65 |
型材壁厚1
5.10 |
型材壁厚2
7.10 |
型材壁厚3
8.10 |
|
實測
尺寸 |
151.40 |
65.55 |
5.08 |
7.08 |
8.08 |
48-49HRC |
Ra0.4mm |
(6)試模記錄見表10。經二次修模與改進,2#模完全達到技術要求,生產出合格型材。
表10WYY1125-2#模兩次(第一次,第二次)試模的擠壓材檢測記錄
|
WYY1125—2#模 |
圖紙尺寸 |
型材寬度 |
型材高度 |
型材壁厚1 |
型材壁厚2
|
型材壁厚3
|
|
|
|
實測尺寸 |
149.8 |
64.90 |
4.98 |
7.0 |
7.99 |
一次90.1° |
二次89.8° |
一次90.1° |
二次89.7° |
4.模板型材模具批量擠壓生產效果分析
4.1WYY1237型材一共投做4套模,有3套模投入生產,有一套在待生產。現已經交出產品800多噸。其中,WYY1237-1#模因最初未設置吊橋,在擠壓過程中,模具彈性變形較大,型材的壁板中心部位尺寸偏小,且平面間隙超差。經研究決定在寬展模的孔腔內安裝上了兩個吊橋,這樣既提高了模具的抗彎強度,也均衡了金屬的流動。經修改、維修后的WYY1237-1#模上機擠壓出的型材尺寸合格。這套模在擠壓出200多噸型材后因出現疲勞裂紋報廢。模具使用壽命較原來25噸/每模提高了4倍以上。
在生產線上的-2#模、-3#模、-4#模都按-1#修改模的結構設計制造的。現在-2#模、-3#模正在生產線服役,試模合格的-4#模在生產線待用。
由于模板型材模選用了優質模具鋼,并實施了合理的熱處理制度,模具設計制造的全過程都采用CAD/CAM/CAE全自動生產,每套模具都具有很高的制造質量;擠壓廠同時嚴格模子使用制度,因此,每套模僅試模1-2次擠壓材就合格,修模量也比較小,使用壽命也比較高,達到了項目提高2-3倍的目標。
上一頁1234下一頁

河南洛陽萬基特種鋁合金有限公司生產的第一批500余噸鋁合金棒產品日前順利銷往廣東等地,標志著該公司5萬噸特種鋁合金項目已進入批量生產階段。 洛陽萬基特種鋁合金有限公司是新電集團專門從事鋁產品及鋁合金產品加工的企業之一,該公司5萬噸特種

臺灣玻璃 工業股份有限公司官員,最近宣布在不同的生產基地揭開低輻射玻璃的大規模生產,有江蘇泰昌,四川成都。

洛玻龍飛(翔)公司利用混合燃燒工藝技術成功生產出3毫米浮法玻璃,并實現大批量穩定生產,產品合格率高達79.98%,不僅為龍飛(翔)公司增添了新品種,而且填補了洛玻利用混合燃燒工藝技術生產3毫米浮法玻璃 的空白。