1、工程概況
廣州白云國際會議中心是廣東省召開省、市人大、政協等政務會議的重要場所。廣州白云國際會議中心位于廣州市白云山國家風景名勝區西部,緊臨云溪生態公園。總用地面積26.626公頃,總建筑面積309341平方米。其中地上建筑面積254139平方米,地下建筑面積43624.7平方米,架空層面積11577平方米。根據設計理念,體現建筑物與自然的和諧,在屋頂和立面上采用大量的紅砂巖作表面。A、E棟立面大部分由半菱形開放式凸凹砂巖幕墻與隱框玻璃窗組成;屋頂采用平面紅砂巖。砂巖分格為750(寬)×500(高)mm,兩棟樓外墻面均采用干掛紅砂巖飾面,掛石面積約33245平方米。

廣州白云國際會議中心鳥瞰效果圖
背栓式干掛紅砂巖幕墻是用一個緊固件把石材和石材幕墻組件中的連接件連結在一起,再與龍骨連接,并由金屬支架組成的橫豎龍骨通過埋件連接固定在主體建筑外墻上。背栓屬于可以自由拆卸的緊固件,連接件可按幕墻需要的構造要求來設計。這是新型有效的錨固專利技術。背栓錨固基本原理,是通過專用的設備和金剛石鉆頭在紅砂巖的背部鉆錐形孔,使得在植入錨固件時,錨固件底部打開后的形狀與鉆孔形狀相吻合,通過錐形結合,形成結構鎖定,進行錨固。背栓錨固原理的關鍵技術在于擴壓環結構,它是通過具有彈性的A4不銹鋼波形環的支撐達到機械鎖定的目的。紅砂巖錨固采用背栓式方法可通過有效計算選擇最佳受力支撐點(約板長1/5處),使得石材承受均布載荷的最大彎矩值最小,材料所需的抗彎模量最小,因而具備了紅砂巖的使用條件。背栓式干掛紅砂巖幕墻還有以下優點:
a.背栓式干掛紅砂巖,因各個掛件均承載石材重量破裂后石材不易脫落且易于更換。
b.背栓式干掛紅砂巖表面清潔,不易受污染。本工程為敞開式幕墻,不用打膠不會產生膠污染表面。
2、 紅砂巖選用
本工程采用紅砂巖40mm厚,設計值在干燥狀態下為3.0Mpa;由于國家沒有現成的規范。為此,業主項目辦組織了專家和施工、加工單位對紅砂巖作為面板作了可行性研究,并制訂了《紅砂巖加工設計及安裝驗收規程》。紅砂巖容易風化,更容易受外界大氣、酸雨、工業煙霧等外界因素對它的侵破壞。為了保護紅砂巖,使紅砂巖不被風化和侵蝕,本工程采用了高效石材防水劑對紅砂巖浸泡,溶劑通過有效滲入紅砂巖毛細通道,通過潮氣的催化作用,與紅砂巖充分結合形成一層縱深的、持久的防護層,紅砂巖表面不留任何痕跡,并保持紅砂巖的透氣性,即使紅砂巖表面部分磨損,內部仍具有十分優秀的防水性,提供最佳的“水珠效應”,能有效抵抗水、大氣等污染物對紅砂巖的侵害。對水性污染有一定防護作用,為紅砂巖作為表面材料奠定了基礎。
3、主要施工工藝流程
3.1工藝流程
測量放線→鋼立柱結構定位安裝→鋼橫梁定位安裝→主體內墻防水處理→鋁合金掛件安裝→防火隔層安裝、室內收口→紅砂巖面板安裝→交驗。
3.2測量放線
將土建方提供的基準中心線、標高線進行復測,無誤后根據圖紙給出的橫、豎龍骨的位置和軸線,定出橫、豎龍骨位置和石材幕墻位置。先由中間向兩端測量,然后由兩端向中間復核尺寸。放出的橫、豎龍骨位置線誤差應符合設計要求。
石材幕墻與主體結構連接的預埋件,應在主體結構施工時按設計要求埋設。預埋件應牢固,位置準確,預埋件的位置誤差應按設計要求進行復查。當設計無明確要求時,預埋件的標高偏差不應大于10mm,預埋件位置差不應大于20mm。主體結構施工時漏埋的預埋件應采用植筋法或化學螺栓后置鐵件,并經計算和現場拉拔試驗確定其承載力。
3.3鋼方通立柱安裝
鋼方通立柱的安裝是在全部幕墻安裝過程中,由于其工程量大,施工精度要求高而占有極其重要的地位。鋼方通立柱的安裝快慢決定著整個工程的進度,故作業無論從技術上還是管理上都要額外重視。石材幕墻立柱的安裝應符合下列規定:
1)、立柱安裝標高偏差不應大于3mm,軸線前后偏差不應大于2mm,左右偏差不應大于3mm;
2)、相鄰兩根立柱安裝標高偏差不應大于3mm,同層立柱的最大標高偏差不應大于5mm,相鄰兩根立柱的距離偏差不應大于2mm。
3.4橫梁安裝
在鋼立柱上測出鋼橫梁的定位線,于水準儀測出鋼橫梁標高。采用腳手架安裝角鋼橫梁,按設計要求將鋼橫梁固定于鋼立柱上。
角鋼橫梁與鋼方通立柱之間采用焊接固定,因此,焊接作業時應對下方和鄰近的已完工裝飾面進行成品保護。焊接時要采用對稱焊,以減少因焊接產生的變形。檢查焊縫質量合格后,所有的焊點、焊縫均需作去焊渣及防腐處理。并應及時做焊接驗收及防腐驗收。驗收合格后方能進行隱蔽。
石材幕墻橫梁安裝應符合下列規定:
1)、應將橫梁兩端的連接件及墊片安裝在立柱的預定位置,并應安裝牢固,其接縫應嚴密;
2)、相鄰兩根橫梁的水平標高偏差不應大于1mm。同層標高偏差:當一幅幕墻寬度小于或等于35m時,不應大于5mm;當一幅幕墻寬度大于35m時,不應大于7mm。
3.5主體墻面防水
協同主體結構施工單位進行外墻及隱框窗防水處理。保證外墻防水的完整性。隱框窗外框防水處理完成后選擇晴好天氣安裝保溫系統。
3.6鋁合金掛件安裝
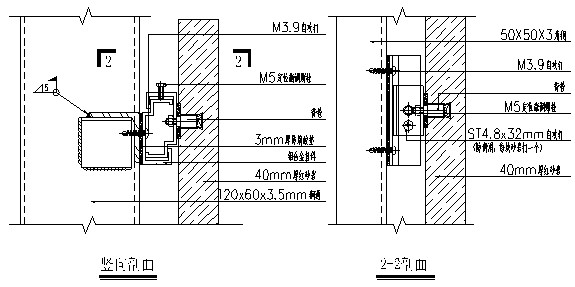
根據施工標準線,用水準儀控制標高。在鋼橫梁與鋁合金掛間墊上絕緣墊片(見下圖),用M3.9自攻釘固定,先擰至5分緊,精確定位后,擰緊固定M3.9自攻釘。

紅砂巖豎剖節點圖
3.7紅砂巖面板安裝工藝
紅砂巖面板安裝應按施工規劃,按施工進度進行石材的加工,石材按進度加工完成后,應按立面編號分類裝箱,并附裝箱清單。按施工要求按清單將裝飾面板運至施工面附近,并注意擺放有序,穩定可靠,防止傾覆。在搬運紅砂巖板材時,要有安全防護措施,擺放時下面要墊泡沫墊板。石材安裝前應用鋼絲拉出理論完成面以便于控制石板安裝的進出位,保證安裝后石材平面度。
本工程紅砂巖采用40mm厚,連接方式采用不銹鋼(A4)背栓,牌號為0Cr17Ni12Mo2(316),背栓底部采用擴壓環式固定,背栓規格采用M6X21。孔深為21mm。背栓與石材邊距不宜大于180mm,也不宜小于100mm;背栓間距不宜大于800mm。四點固定,連接件的厚度3mm。安裝如下:

錨栓掛件安裝示意圖
a.紅砂巖板塊先將背部朝上放在工作臺上,清理干凈孔,孔內插入背栓,采用專用工具對錨栓外套進行敲擊安裝,使外套底部擴壓環與錐形孔相吻合,再將鋁合金子掛件和錨栓通過螺栓擰緊安裝。依次裝好四個錨栓,鋁合金子掛件與紅砂巖采用墊片避免了鋁合金子掛件與紅砂巖直接接觸,起到隔振作用。
b.將鋁合金母掛件固定在橫向角鋼上。石材掛件底座必須嚴格控制定位質量。在紅砂巖上安裝好錨栓及掛件,檢測紅砂巖表面質量合格后,吊運板塊至安裝位。安裝時,將子掛件直接插入母掛件底座,再通過頂絲的微調調節高低保證石材接縫高度差符合驗收規范要求。紅砂巖安裝由下向上進行,并認真操作。對掛好的每一塊石板,均進行水平、垂直度、平面度檢測并及時調整。
c.石板安裝應符合下列規定:
1)、應對橫豎連接件進行檢查、測量、調整;
2)、金屬板、石板安裝時,左右、上下的偏差不應大于1.5mm;
3)、金屬板、石板空縫安裝時,必須有防水措施,并應有符合設計要求的排水出口;
4)、檢查石材表面防護及背面纖維層是否符合設計要求。
5)、根據連接方式確定石材面板的安裝順序,安裝并調整后進行固定。
6)、砂巖石材在開箱、搬運過程中應輕拿輕放,存放處用橡膠墊,離地約50mm,防止邊角受力破損。
7)、安裝時先將背栓錨固于石板上,背栓安裝時將石板放平,下面用橡膠及木板墊平、墊實,不得用力過大,防止石板斷裂。
8)、石材掛裝時,應采取措施防止石材墜落,操作臺架上不允許堆放石材,應掛裝一塊運一塊,調整背栓及掛件,保證相鄰板塊間隙均勻。
3.8層間防火封修、室內收口
在每層樓的樓板頂標高處,沿外墻四周設一道層間防火封修,因外墻石材內表面距外墻有200mm空隙,為防止火災發生后,火勢從此空隙處向上層漫延,故此設層間防火隔離帶,材料采用1.5mm厚鍍鋅鋼板和100mm厚防火保溫礦棉板,鍍鋅鋼板一端用射釘固定在剪力墻上,射釘間距500mm,另一端搭在橫向角鋼龍骨上。按設計要求進行室內防火隔層、室內包鋁板作業。室內防火隔層安裝應嚴實,平整。
4、質量要求
紅砂巖不得有缺邊掉角和裂縫及劃痕,顏色、質地均勻一致,無特殊紋理和明顯色差。體積密度、吸水率、彎曲強度、抗剪強度等應滿足有關規定。
由于干掛紅砂巖幕墻技術規范尚未頒布,施工允許偏差按廣州白云國際會議中心《石材幕墻用砂巖的開采、加工及砂巖石材幕墻設計、加工、安裝、驗收規程》的標準確定外,尚應符合國家現行有關強制性標準的規定。經實測,工程質量符合標準。
5、結束語
紅砂巖幕墻背栓施工中,得到了各級專家、業主、設計院、監理人員的指導支持,認為選擇的加固措施工藝合理,施工方便快捷,施工質量容易保證。同時它又克服了鋼銷式和槽式干掛石材幕墻的某些缺點,在安全性、耐久性、可更換性等方面具有較大的優勢。該背拴系統還可以在石材、陶瓷板、人造石、高壓層板、玻璃、微晶玻璃、纖維水泥板等幕墻干掛領域中廣泛應用。
與【】相關熱點資訊:
【了解更多 “” 相關信息請訪問
幕墻專區 】